
DTD217_Dubultais T-gabals 40.00 x 1.50 mm, DIN11852 , 1.4307
Ārējā virsma: matēta, iekšējā virsma: ≤ Ra 0,8 μm
Dubultais T-gabals ir paredzēts higiēnisku un procesu cauruļvadu atzarojumu izveidei. Piemērots pārtikas, dzērienu, piena un farmācijas līnijām, kur nepieciešama uzticama savietojamība un kvalitatīvs nerūsējošā tērauda mezgls. Šis veidgabals parasti tiek izmantots vietās, kur nepieciešams izveidot divus atzarus no galvenās līnijas vai savienot vairākas plūsmas vienā mezglā. Praktiski tas ir piemērots procesu līnijām, kur jānodrošina kompakta cauruļvadu konfigurācija un uzticama plūsmas vadība.
Produkta nosaukums: | Nerūsējošā tērauda dubultais T - gabals |
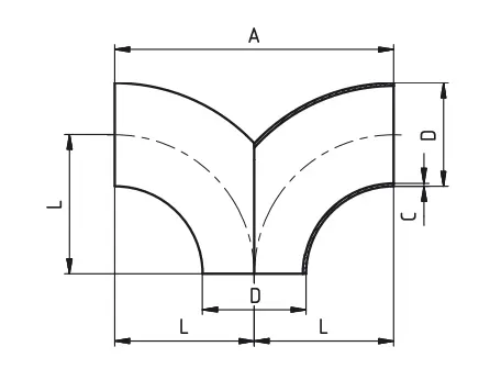
Leņķis: | 90° |
Standarts: | DIN11852 (piena un pārtikas rūpniecības veidgabals) |
D (diametrs): | Ø 40 mm |
A (iebūves garums): | 120mm |
C (sieniņas biezums): | 1,5mm |
L (platums no ass centra līdz galam): | 60mm |
Materiāls: | 1.4307 / AISI304L |
Savienojums: | Metināms |
Ārpuses virsma: | Matt |
Iekšpuses virsma: | ≤ Ra 0,8 μm |
Pielietojums:
- Higiēniskas cauruļvadu sistēmas
- Piena savākšanas un pārstrādes līnijās
- Dzērienu un alus ražošanas sistēmās
- Pārtikas rūpniecības cauruļvados
- Farmācijas un biotehnoloģiju procesos
- CIP tīrīšanas un sanitārajās sistēmās
| Materiāls: 1.4307 |
| Diametrs (mm): 40 |
| Sieniņas biezums (mm): 1,5 |
| Iebūves garums: 120 |
| Standarts: DIN11852 |