
DTB411_Liekts T-gabals 22.00 x 1.50 mm, DIN11852, 1.4404
Ārējā virsma: matēta, iekšējā virsma: ≤ Ra 0,8 μm
DIN standarta metināms nerūsējošā tērauda Liekts T-gabals, paredzēts higiēniskām cauruļvadu sistēmām pārtikas, dzērienu, piena un farmācijas rūpniecībā. Pateicoties plūdenākai ģeometrijai nekā klasiskam T-gabalam, šis veidgabals nodrošina vienmērīgāku plūsmu un ir piemērots sistēmām, kur būtiska ir laba izskalojamība, sanitārā drošība un uzticama ekspluatācija.
Produkta nosaukums: | Nerūsējošā tērauda Liekts T-gabals, (Tee bend) |
Leņķis: | 90° |
Standarts: | DIN11852 (piena un pārtikas rūpniecības veidgabals) |
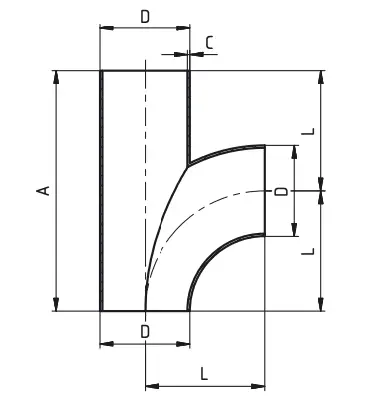
D (diametrs): | Ø 22 mm |
C (sieniņas biezums): | 1,5mm |
A (augstums): | 80mm |
L (attālums no centra līdz galam): | 40mm |
Materiāls: | 1.4404/ AISI316L |
Savienojums: | Metināms |
Ārpuses virsma: | Matt |
Iekšpuses virsma: | ≤ Ra 0,8 μm |
Pielietojums:
- Higiēniskas cauruļvadu sistēmas
- Piena savākšanas un pārstrādes līnijās
- Dzērienu un alus ražošanas sistēmās
- Pārtikas rūpniecības cauruļvados
- Farmācijas un biotehnoloģiju procesos
- CIP tīrīšanas un sanitārajās sistēmās
| Materiāls: 1.4404 |
| Diametrs (mm): 22 |
| Sieniņas biezums (mm): 1,5 |
| Garums (mm): 80 |
| Standarts: DIN11852 |