Skip to Content
DTB224_Liekts T-gabals 129.00 x 2.00 mm, DIN11852, 1.4307
T-gabals, liekts_Verbasco.webp

DTB224_Liekts T-gabals 129.00 x 2.00 mm, DIN11852, 1.4307

https://www.verbasco.lv/web/image/product.template/3977/image_1920?unique=f5a58f6

Ārējā virsma: matēta, iekšējā virsma: ≤ Ra 0,8 μm

DIN standarta metināms nerūsējošā tērauda Liekts T-gabals, paredzēts higiēniskām cauruļvadu sistēmām pārtikas, dzērienu, piena un farmācijas rūpniecībā. Pateicoties plūdenākai ģeometrijai nekā klasiskam T-gabalam, šis veidgabals nodrošina vienmērīgāku plūsmu un ir piemērots sistēmām, kur būtiska ir laba izskalojamība, sanitārā drošība un uzticama ekspluatācija.

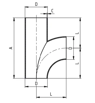
Produkta nosaukums:
Nerūsējošā tērauda Liekts T-gabals, (Tee bend)
Leņķis:
90°
Standarts:
DIN11852 (piena un pārtikas rūpniecības veidgabals)
D (diametrs):
Ø 129 mm
C (sieniņas biezums):
2,00mm
A (augstums):
375mm
L (attālums no centra līdz galam):
187,5mm
Materiāls: 
1.4307 / AISI304L
Savienojums:
Metināms
Ārpuses virsma:
Matt
Iekšpuses virsma:
≤ Ra 0,8 μm

Pielietojums:

  • Higiēniskas cauruļvadu sistēmas
  • Piena savākšanas un pārstrādes līnijās
  • Dzērienu un alus ražošanas sistēmās
  • Pārtikas rūpniecības cauruļvados
  • Farmācijas un biotehnoloģiju procesos
  • CIP tīrīšanas un sanitārajās sistēmās

0,00 € 0.0 EUR 0,00 € PVN iekļauts

  • Materiāls
  • Diametrs (mm)
  • Sieniņas biezums (mm)
  • Garums (mm)
  • Standarts

Šāda kombinācija nepastāv.

Materiāls: 1.4307
Diametrs (mm): 129
Sieniņas biezums (mm): 2
Garums (mm): 375
Standarts: DIN11852

PIEPRASI