
DINWEA004_Metināms līkums 90°, pagarināts, 29.00 x 1.50 mm, R - 50, DIN11865, 1.4307
DIN standarta 90° metināmais nerūsējošā tērauda līkums ar pagarinātiem galiem orbitālai metināšanai, paredzēts higiēniskām cauruļvadu sistēmām pārtikas, dzērienu, piena un farmācijas rūpniecībā. Izgatavots no augstas kvalitātes AISI 304L (EN 1.4307) nerūsējošā tērauda, nodrošinot izcilu korozijas noturību, ilgmūžību un atbilstību sanitārajām prasībām.
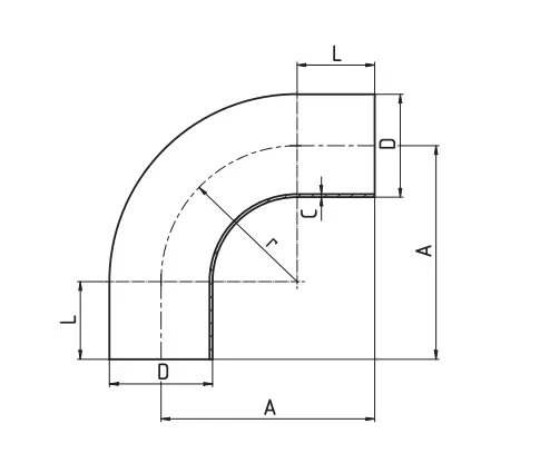
Produkta nosaukums: | Nerūsējošā tērauda līkums (elbow) |
Leņķis: | 90° |
Standarts: | DIN11865 |
D (diametrs): | Ø 29 mm |
A (centra ass augstums): | 90mm |
C (sieniņas biezums): | 1,5mm |
r (rādiuss): | 50 |
L (pagarinājums): | 40mm |
Materiāls: | 1.4307 / AISI304L |
Savienojums: | Metināms (orbitāli) |
Ārpuses virsma: | Matēta |
Iekšpuses virsma: | max. 0.8/1.6 µm |
Pielietojums:
- Higiēniskas cauruļvadu sistēmas
- Piena savākšanas un pārstrādes līnijās
- Dzērienu un alus ražošanas sistēmās
- Pārtikas rūpniecības cauruļvados
- Farmācijas un biotehnoloģiju procesos
- CIP tīrīšanas un sanitārajās sistēmās
| Materiāls: 1.4307 |
| Diametrs (mm): 29 |
| Sieniņas biezums (mm): 1,5 |
| Rādiuss: 50 |
| Augstums (mm): 90 |
| Standarts: DIN11865 |
| Virsma: Matēta |